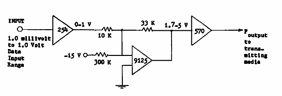
Encontrado en una documentación RCA de la década de 1970, este circuito utiliza circuitos integrados que son poco comunes hoy en día. El circuito es del tipo experimental no sintonizado.

Transmisor de 3 integrados
Encontrado en una documentación RCA de la década de 1970, este circuito utiliza circuitos integrados que son poco comunes hoy en día. El circuito es del tipo experimental no sintonizado.
