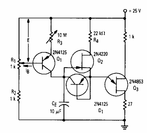
Encontrado en una documentación de Motorola de los años 90, este circuito puede implementarse con transistores equivalentes actuales. El capacitor se puede extender para tiempos más largos.

Temporizador de larga duración transistorizado
Encontrado en una documentación de Motorola de los años 90, este circuito puede implementarse con transistores equivalentes actuales. El capacitor se puede extender para tiempos más largos.
