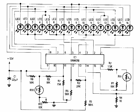
Encontrado en una Radio Electronics de los años 90, este termómetro utiliza un circuito integrado que es inusual en la actualidad. El sensor es un termistor o NTC.

Termómetro de gráfico de barras
Encontrado en una Radio Electronics de los años 90, este termómetro utiliza un circuito integrado que es inusual en la actualidad. El sensor es un termistor o NTC.
