Este circuito se encontró en la documentación de Philips de 1967. El circuito utiliza componentes de la época, como los transistores BAX14 y los transistores BSX20.

Generador de escalera seleccionable
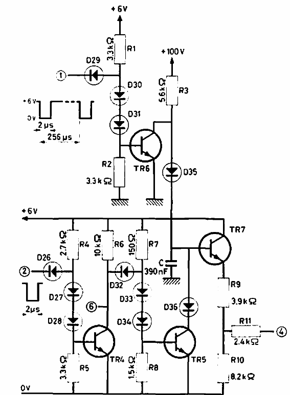
Este circuito se encontró en la documentación de Philips de 1967. El circuito utiliza componentes de la época, como los transistores BAX14 y los transistores BSX20.
