Esta prueba de continuidad audible se obtuvo en un libro de los años 90 que describe proyectos simples. La alimentación se realiza con una sola batería.

Prueba de continuidad
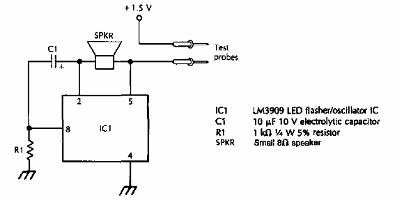
Esta prueba de continuidad audible se obtuvo en un libro de los años 90 que describe proyectos simples. La alimentación se realiza con una sola batería.
