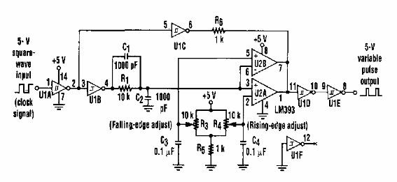
Encontrado en una Electronic Design de los años 90, este circuito produce pulsos ajustables que comienzan después de un intervalo ajustable. El circuito se puede implementar con componentes equivalentes modernos.

Circuito de clock
Encontrado en una Electronic Design de los años 90, este circuito produce pulsos ajustables que comienzan después de un intervalo ajustable. El circuito se puede implementar con componentes equivalentes modernos.
