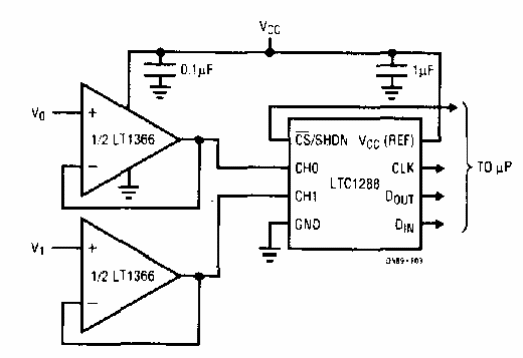
Este circuito se obtuvo de la documentación de Linear Technology de los años 90. El circuito utiliza componentes de la compañía.

Buffer para convertidores
Este circuito se obtuvo de la documentación de Linear Technology de los años 90. El circuito utiliza componentes de la compañía.
