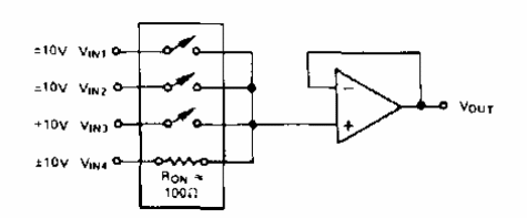
Este circuito se obtuvo de una nota de aplicación de Analog Devices de los años 90. Los componentes son de esa época.

Búfer analógico conmutado
Este circuito se obtuvo de una nota de aplicación de Analog Devices de los años 90. Los componentes son de esa época.
