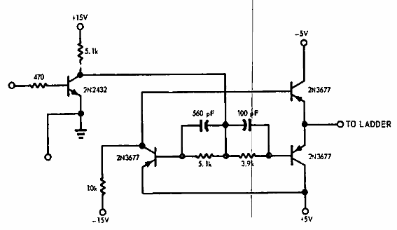
Encontrado en una EDN de 1969, este circuito utiliza componentes de esa época. Se pueden utilizar transistores equivalentes modernos.

Interruptor de control
Encontrado en una EDN de 1969, este circuito utiliza componentes de esa época. Se pueden utilizar transistores equivalentes modernos.
