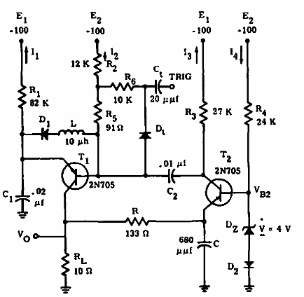
Este circuito se encontró en una documentación de Motorola de 1969. Los transistores son de esa época. Los pulsos son 200 ns con 500 mA. Observe la alta tensión de alimentación.

Pulsos de alta corriente
Este circuito se encontró en una documentación de Motorola de 1969. Los transistores son de esa época. Los pulsos son 200 ns con 500 mA. Observe la alta tensión de alimentación.
