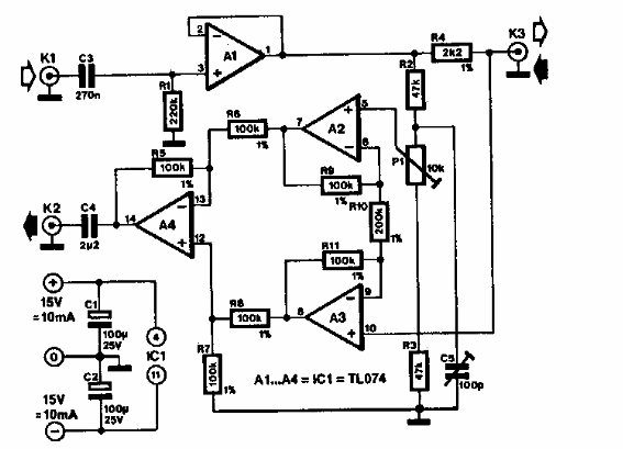
Con este circuito es posible recibir y enviar señales de audio simultáneamente a través de la misma línea telefónica. El circuito fue encontrado en un Elektor de los años 90. La fuente es simétrica.

Enlace de audio dúplex
Con este circuito es posible recibir y enviar señales de audio simultáneamente a través de la misma línea telefónica. El circuito fue encontrado en un Elektor de los años 90. La fuente es simétrica.
