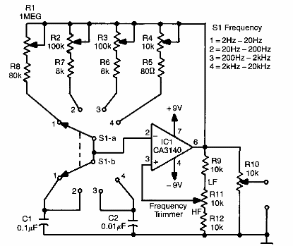
Usando un amplificador operacional en ese momento, este circuito se obtuvo de una Radio Electronics desde los años 90. El circuito cubre el rango de frecuencia de 2 Hz a 20 kHz.

Generador rectangular de 4 décadas CA3140
Usando un amplificador operacional en ese momento, este circuito se obtuvo de una Radio Electronics desde los años 90. El circuito cubre el rango de frecuencia de 2 Hz a 20 kHz.
