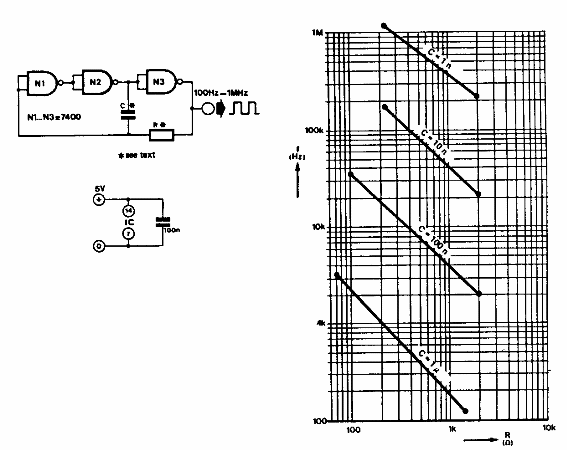
En la figura tenemos un oscilador básico con inversores obtenidos de TTL, CMOS u otras puertas. El gráfico en el lado permite encontrar la frecuencia dependiendo del resistor y el capacitor.

Oscilador TTL o CMOS
En la figura tenemos un oscilador básico con inversores obtenidos de TTL, CMOS u otras puertas. El gráfico en el lado permite encontrar la frecuencia dependiendo del resistor y el capacitor.
