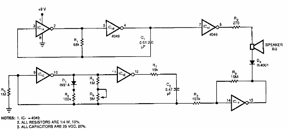
Este circuito de efectos de sonido usa solo uno integrado. Lo encontramos en una EDN de los 90. Los efectos se pueden modificar cambiando los componentes.

Efecto de sonido
Este circuito de efectos de sonido usa solo uno integrado. Lo encontramos en una EDN de los 90. Los efectos se pueden modificar cambiando los componentes.
