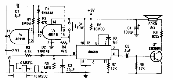
El fasor o fasor es el arma de rayos que vemos en muchas películas de ciencia ficción. El sonido característico se puede imitar con este circuito que se encuentra en una Radio Electronics de los años 90.

Phasor Sound
El fasor o fasor es el arma de rayos que vemos en muchas películas de ciencia ficción. El sonido característico se puede imitar con este circuito que se encuentra en una Radio Electronics de los años 90.
