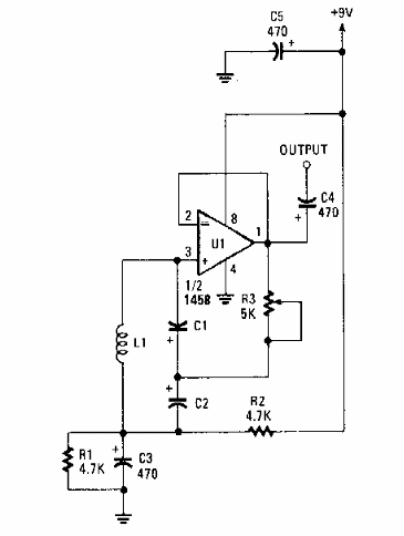
Este circuito genera señales de menos de 10 Hz. Lo encontramos en una Popular Electronics de los años 90. C1 y C2 tienen 1 000 uF y L1 1 H.

Oscilador infrasónico
Este circuito genera señales de menos de 10 Hz. Lo encontramos en una Popular Electronics de los años 90. C1 y C2 tienen 1 000 uF y L1 1 H.
