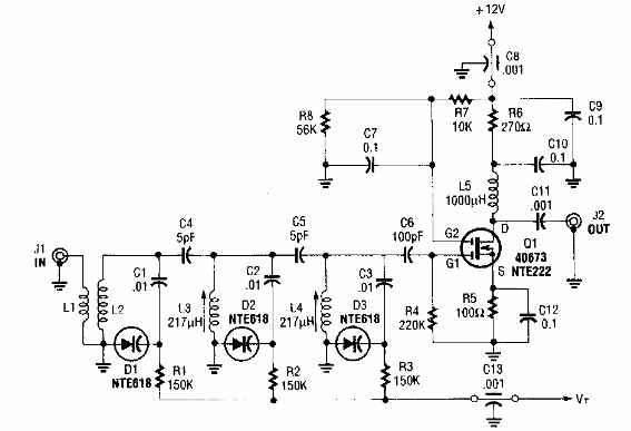
Este circuito para el rango de onda media fue sugerido por Popular Electronics desde los años 90. El MOSFET de doble puerta es un componente inusual en la actualidad.

Preselector con ajuste por varicap
Este circuito para el rango de onda media fue sugerido por Popular Electronics desde los años 90. El MOSFET de doble puerta es un componente inusual en la actualidad.
