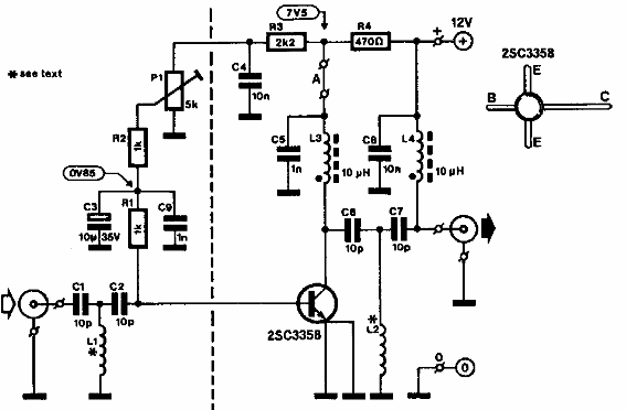
Este circuito se encontró en una Elektor de los años 90. El circuito es crítico y requiere un diseño de placa muy bien planificado para su correcto funcionamiento.

Amplificador de línea UHF
Este circuito se encontró en una Elektor de los años 90. El circuito es crítico y requiere un diseño de placa muy bien planificado para su correcto funcionamiento.
