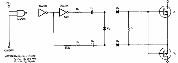
Encontrado en una EDN de los 90, este circuito puede usarse como un shield. Los componentes dependen de los MOSFET y la carga que debe controlarse. La lógica es TTL.

Interruptor bidireccional
Encontrado en una EDN de los 90, este circuito puede usarse como un shield. Los componentes dependen de los MOSFET y la carga que debe controlarse. La lógica es TTL.
