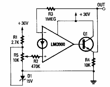
Este circuito de baja corriente permite la regulación de tensiones en el rango de 0.5 a 30 V. Lo encontramos en una Radio Electrónica de los 80. El transistor es de propósito general.

Regulador de tensión variable
Este circuito de baja corriente permite la regulación de tensiones en el rango de 0.5 a 30 V. Lo encontramos en una Radio Electrónica de los 80. El transistor es de propósito general.
