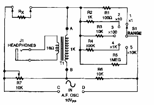
Encontrado en una Popular Electronics de los años 80, este puente permite medir la resistencia en 5 rangos de valores. La fuente de señal es un oscilador y el detector nulo es un auricular.

Puente de Wheatstone
Encontrado en una Popular Electronics de los años 80, este puente permite medir la resistencia en 5 rangos de valores. La fuente de señal es un oscilador y el detector nulo es un auricular.
