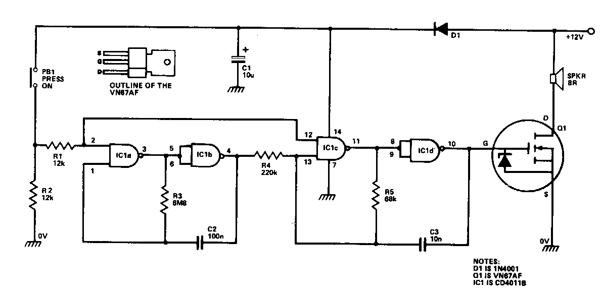
Encontrado en una revista inglesa de la década de 1980, este circuito produce un fuerte tono modulado reproducido en un altavoz. El MOSFET de potencia puede ser de casi cualquier tipo.
Para esto se necesitará el siguiente material: 1 Capacitor electrolítico de 470 µF o 1000 µF de...
Cuando un pulso de luz incide en el LDR, este circuito dispara un temporizador monoestable 555 que acciona...
Cargar pequeñas pilas y baterías de Nicad (Niquel-Cadmio) de los tipos AAA, AA, C, D y baterías de 9 V es...