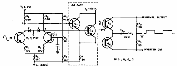
Encontrado en una Electronic Design de 1964, este circuito utiliza transistores de esa época. Los componentes equivalentes pueden ser probados.

Prueba de Shift Register
Encontrado en una Electronic Design de 1964, este circuito utiliza transistores de esa época. Los componentes equivalentes pueden ser probados.
