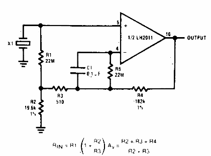
Este circuito se aplica a otros operacionales distintos al indicado. Las fórmulas al lado del diagrama son para calcular los componentes utilizados. La fuente debe ser simétrica.

Amplificador de transductor
Este circuito se aplica a otros operacionales distintos al indicado. Las fórmulas al lado del diagrama son para calcular los componentes utilizados. La fuente debe ser simétrica.
