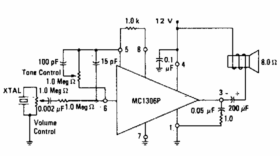
Encontrado en una documentación de la década de 1980, este amplificador utiliza un circuito integrado de la época. Este componente es poco común hoy en día.

Amplificador para cápsula cerámica
Encontrado en una documentación de la década de 1980, este amplificador utiliza un circuito integrado de la época. Este componente es poco común hoy en día.
