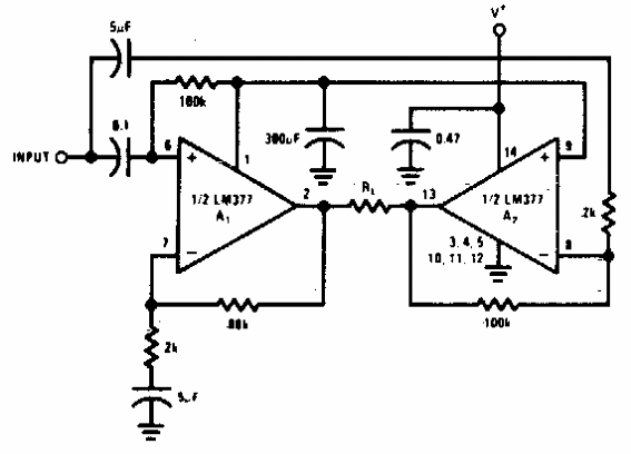
Usando dos LM377, este amplificador proporciona unos pocos watts de audio en un altavoz de baja impedancia y la potencia generalmente puede estar entre 12 y 15 V.

Amplificador de puente
Usando dos LM377, este amplificador proporciona unos pocos watts de audio en un altavoz de baja impedancia y la potencia generalmente puede estar entre 12 y 15 V.
