Este oscilador sinusoidal de 800 Hz se encontró en la documentación estadounidense de la década de 1970. El transistor admite un equivalente moderno de propósito general. La frecuencia está dada por la red RC que se puede cambiar.

Oscilador 800 Hz
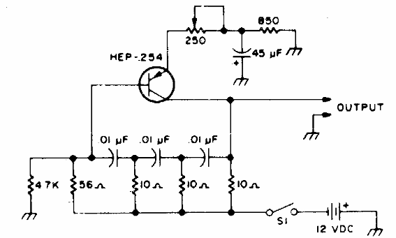
Este oscilador sinusoidal de 800 Hz se encontró en la documentación estadounidense de la década de 1970. El transistor admite un equivalente moderno de propósito general. La frecuencia está dada por la red RC que se puede cambiar.
