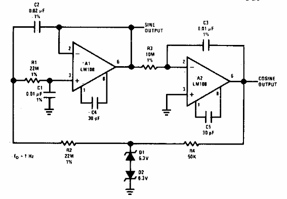
Este circuito es de documentación estadounidense de los años 70. Esta configuración aparece en esta sección obtenida de otras fuentes. La señal es sinusoidal determinada en amplitud por D1 y D2.

Oscilador sinusoidal
Este circuito es de documentación estadounidense de los años 70. Esta configuración aparece en esta sección obtenida de otras fuentes. La señal es sinusoidal determinada en amplitud por D1 y D2.
