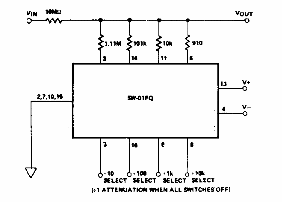
Puede usarse como un shield, este antiguo circuito de documentación estadounidense ofrece valores de atenuación seleccionados digitalmente de 1 a 0.0001. El componente utilizado es poco común hoy en día.

Atenuador programable
Puede usarse como un shield, este antiguo circuito de documentación estadounidense ofrece valores de atenuación seleccionados digitalmente de 1 a 0.0001. El componente utilizado es poco común hoy en día.
