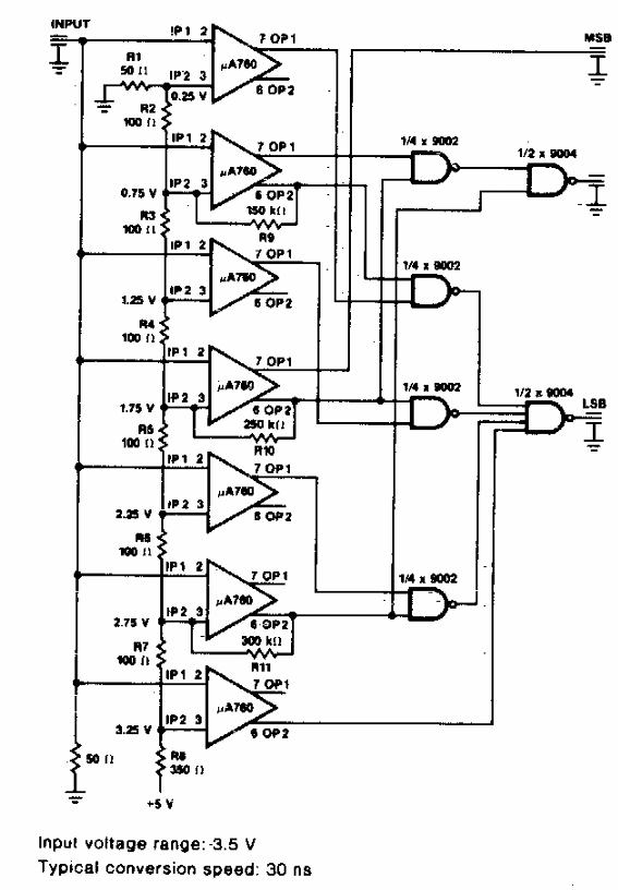
Este convertidor rápido que utiliza amplificadores operacionales se encontró en una documentación estadounidense de los años 70. El circuito se puede implementar con componentes equivalentes.

Convertidor AD de 3 bits
Este convertidor rápido que utiliza amplificadores operacionales se encontró en una documentación estadounidense de los años 70. El circuito se puede implementar con componentes equivalentes.
