Este circuito es de documentación de los años 70. El convertidor utilizado no es un componente común en la actualidad.

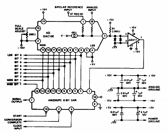
Convertidor AD de 8 bits
Este circuito es de documentación de los años 70. El convertidor utilizado no es un componente común en la actualidad.
