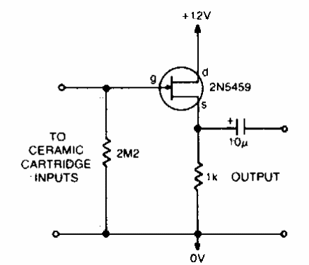
Esta configuración, que se encuentra en muchos otros circuitos en esta sección, se obtuvo en la documentación estadounidense de la década de 1970. Prácticamente se puede usar cualquier JFET.

Preamplificador con FET
Esta configuración, que se encuentra en muchos otros circuitos en esta sección, se obtuvo en la documentación estadounidense de la década de 1970. Prácticamente se puede usar cualquier JFET.
