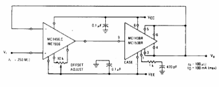
Esta alta impedancia de entrada y circuito de corriente de alta salida se encontró en documentación de Motorola de la década de 1970. El circuito utiliza componentes inusuales en la actualidad.

Seguidor de tensión
Esta alta impedancia de entrada y circuito de corriente de alta salida se encontró en documentación de Motorola de la década de 1970. El circuito utiliza componentes inusuales en la actualidad.
