Este circuito es de documentación antigua. El amplificador operacional utilizado es poco común hoy en día. El circuito tiene una ganancia x 20 MHz de ancho de banda.

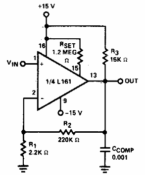
Amplificador X100 con L161
Este circuito es de documentación antigua. El amplificador operacional utilizado es poco común hoy en día. El circuito tiene una ganancia x 20 MHz de ancho de banda.
