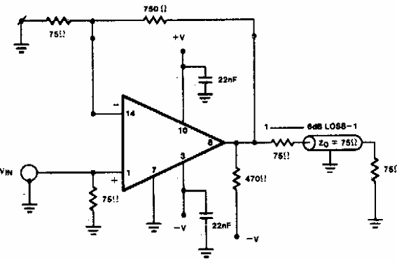
Encontrado en una publicación estadounidense de la década de 1970, este circuito está destinado a señales de video de televisión en color. El componente principal no es común hoy. El NE5559.

Amplificador de video
Encontrado en una publicación estadounidense de la década de 1970, este circuito está destinado a señales de video de televisión en color. El componente principal no es común hoy. El NE5559.
