Encontrado en documentación de la década de 1980, este amplificador utiliza un amplificador operacional de la época con dos transistores. R1 viene dado por 600 mW / Icc. Se pueden usar componentes equivalentes modernos.

Booster de potencia
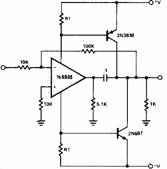
Encontrado en documentación de la década de 1980, este amplificador utiliza un amplificador operacional de la época con dos transistores. R1 viene dado por 600 mW / Icc. Se pueden usar componentes equivalentes modernos.
