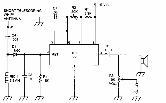
Utilizado por radioaficionados para acompañar transmisiones telegráficas, este circuito genera un tono de audio. La alimentación proviene de la propia señal de RF transmitida.

Oscilador alimentado por RF 555
Utilizado por radioaficionados para acompañar transmisiones telegráficas, este circuito genera un tono de audio. La alimentación proviene de la propia señal de RF transmitida.
