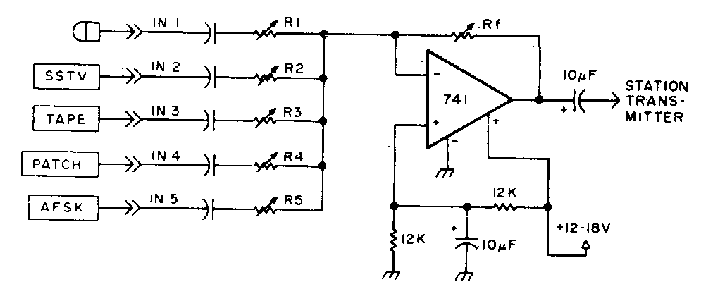
Este mezclador de audio se encontró en una antigua documentación estadounidense. Los potenciómetros son 1M y los condensadores de entrada son 100 nF. El circuito requiere fuente de 12 a 18 V.
El circuito mostrado en la figura 4 deja pasar sólo una banda estrecha de frecuencias alrededor de 1...
En la figura tenemos un circuito biestable que acciona LEDs de toques de aleación y desconecta datos...
El circuito mostrado en la figura 1 es sugerido por Texas Instruments y se basa en su amplificador...