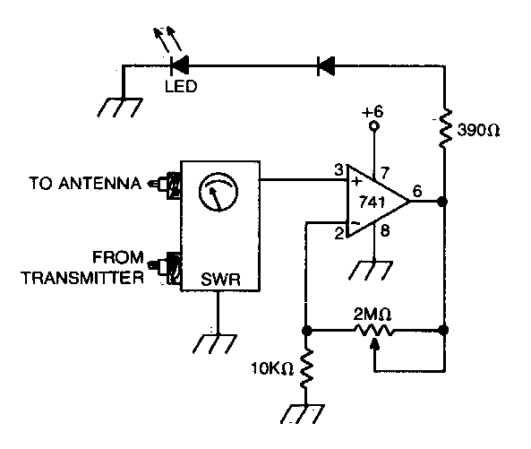
Este circuito activa un LED de advertencia cuando las ondas estacionarias alcanzan un valor alto. El circuito se encontró en una documentación para radioaficionados de la década de 1980.

Alarma de onda estacionaria
Este circuito activa un LED de advertencia cuando las ondas estacionarias alcanzan un valor alto. El circuito se encontró en una documentación para radioaficionados de la década de 1980.
