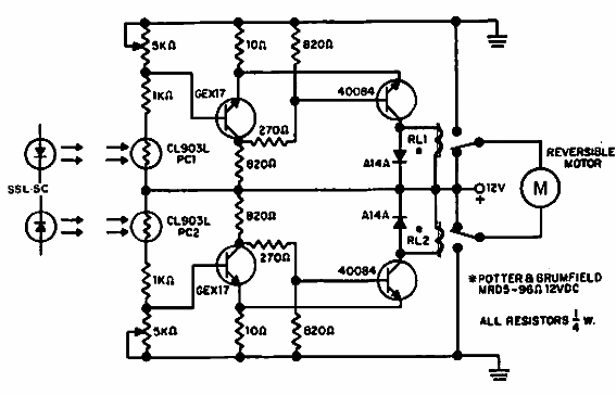
Encontrado en la documentación de General Electric de 1970, este circuito utiliza componentes de período para controlar un motor de 12 V. Los transistores admiten equivalentes modernos de acuerdo con el motor controlado.

Inversor con acoplador óptico



