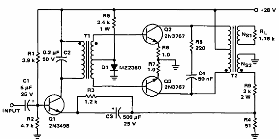
Este circuito de controlador de motor de CA se encontró en una documentación de Motorola de 1968. No se proporcionó información sobre las características de los transformadores utilizados.

Driver para motor AC
Este circuito de controlador de motor de CA se encontró en una documentación de Motorola de 1968. No se proporcionó información sobre las características de los transformadores utilizados.
