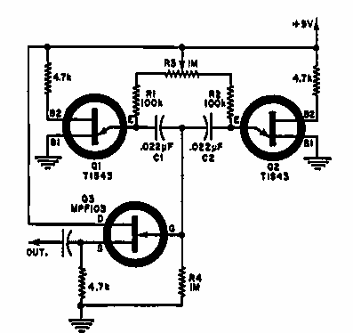
Encontrado en una Electronics World de 1969, este circuito genera señales de baja frecuencia con dos bandas de repetición. Los transistores admiten equivalentes modernos.

Generador doble
Encontrado en una Electronics World de 1969, este circuito genera señales de baja frecuencia con dos bandas de repetición. Los transistores admiten equivalentes modernos.
