Encontramos este circuito en una documentación de General Electric de 1965. El circuito genera pulsos sincronizados de 400 Hz. Los componentes modernos pueden ser probados.

Bootstrap con capacitor
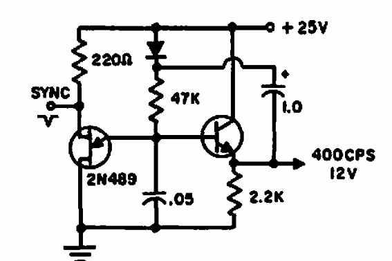
Encontramos este circuito en una documentación de General Electric de 1965. El circuito genera pulsos sincronizados de 400 Hz. Los componentes modernos pueden ser probados.
