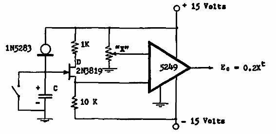
Encontrado en una documentación de la década de 1960, este circuito utiliza un amplificador operacional de la época y un diodo de corriente, los cuales son difíciles de encontrar hoy en día.

Rampa de tiempo
Encontrado en una documentación de la década de 1960, este circuito utiliza un amplificador operacional de la época y un diodo de corriente, los cuales son difíciles de encontrar hoy en día.
