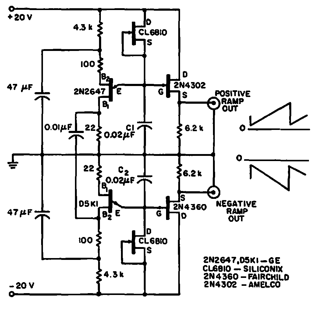
De hecho, este circuito de Electronic Design de 1967 genera dos rampas simétricas cuya frecuencia depende de los valores de los componentes utilizados. Se pueden utilizar transistores equivalentes modernos.

 

Generador de rampa bidireccional
Generador de rampa bidireccional | Haga click en la imagen para ampliar |