Este circuito se encontró en una documentación estadounidense de 1969. Con componentes modernos, puede usarse como un shield.

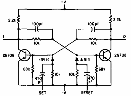
Flip Flop RS
Este circuito se encontró en una documentación estadounidense de 1969. Con componentes modernos, puede usarse como un shield.
