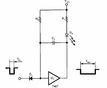
Esta camilla de pulso TTL o camilla se encontró en una EDN de los 90. La constante de tiempo R x C1 determina el estiramiento del pulso entrante.

Extensor de pulso simple
Esta camilla de pulso TTL o camilla se encontró en una EDN de los 90. La constante de tiempo R x C1 determina el estiramiento del pulso entrante.
