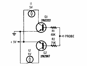
Usando transistores y lámparas, este simple circuito se encontró en una Popular Electronics. El circuito puede usar LED y está alimentado por la tensión de la lógica bajo análisis (TTL).

Prueba lógica
Usando transistores y lámparas, este simple circuito se encontró en una Popular Electronics. El circuito puede usar LED y está alimentado por la tensión de la lógica bajo análisis (TTL).
