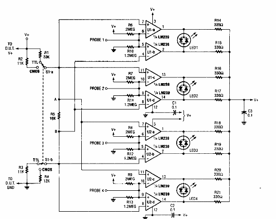
Este circuito se encontró en una Popular Electronics de los años 90. El circuito utiliza 4 LED bicolores para indicar señales de lógica TTL y CMOS. El circuito es alimentado por la fuente del circuito bajo prueba.

Prueba lógica de 4 vías
Este circuito se encontró en una Popular Electronics de los años 90. El circuito utiliza 4 LED bicolores para indicar señales de lógica TTL y CMOS. El circuito es alimentado por la fuente del circuito bajo prueba.
