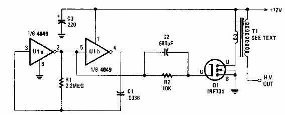
Encontrado en una Popular Electronics de los años 90, este circuito puede usarse como electrificador. T1 puede ser un viejo televisor volando hacia atrás o una bobina de encendido.

Generador de alta tensión
Encontrado en una Popular Electronics de los años 90, este circuito puede usarse como electrificador. T1 puede ser un viejo televisor volando hacia atrás o una bobina de encendido.
